FÍSICA EXAMEN ADMISIÓN UNIVERSIDAD CALLAO DESARROLLADO PREGUNTAS RESUELTAS SIMULACRO UNAC DE INGRESO NACIONAL SOLUCIONARIO 2023 2022 PDF
PREGUNTA 1 :
El gráfico muestra el movimiento rectilíneo de tres personas A, B y C. Dadas las siguientes afirmaciones:
I. C se encuentra en reposo.
II. Velocidad de A mayor velocidad de B.
III. Velocidad de A menor velocidad de B.
¿Cuáles son verdaderas?
A) I y II
B) Solo II
C) Solo I
D) I, II y III
E) Solo III
RESOLUCIÓN :
Rapidez = Pendiente
I. Verdadero:
Porque la pendiente de la gráfica C es cero.
II. Verdadero:
Porque la pendiente de la gráfica A es mayor que la de la gráfica B.
III. Falso:
Porque la pendiente de la gráfica A es mayor que la de la gráfica B.
PREGUNTA 2 :
En la figura, si g=10 m/s², determine la magnitud de la aceleración constante con la que el camión sube por la rampa, de tal modo que el cuerpo suspendido de su techo forme el ángulo fijo indicado.
A) 5/3 m/s²
B) 14/3 m/s²
C) 14/15 m/s²
D) 25/3 m/s²
E) 7/15 m/s²
RESOLUCIÓN :
PREGUNTA 3 :
Con los datos dados en la figura, se debe cumplir que
A) Ry=15 N.
B) Rx=40 N.
C) Rx=20 N.
D) Ry =40 N.
E) R=20 N
RESOLUCIÓN :
PREGUNTA 4 :
Dos cuerpos idénticos con temperaturas TA y TB, se ponen en contacto térmico.
Si TA> TB, entonces en el equilibrio térmico
A) TA disminuye hasta TB
B) TB aumenta hasta TA.
C) los cuerpos tienen la misma temperatura.
D) los cuerpos se han dilatado.
E) los cuerpos se han contraído.
RESOLUCIÓN :
Al ponerse en contacto térmico, el cuerpo de mayor temperatura le transfiere energía al de menor temperatura de forma espontánea hasta que ambos llegan al equilibrio térmico, en donde alcanzan la misma temperatura de equilibrio.
Respuesta : los cuerpos tienen la misma temperatura.
PREGUNTA 5 :
Los vectores de la figura están aplicados a un mismo punto. La expresión para el vector R es
PREGUNTA 6 :
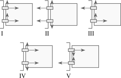
Dos bisagras sujetan un portón. Si las flechas indican los vectores de las fuerzas horizontal y vertical que genera la bisagra sobre el portón.
Entonces, la figura correcta, es:
A) I
B) III
C) IV
D) V
E) II
RESOLUCIÓN :
PREGUNTA 7 :
Un cuerpo de 2 kg cae desde una altura de 100 m. Si g=10 m/s², la energía cinética del cuerpo cuando recorra los 4/5 de dicha altura, es:
A) 2500 J
B) 1500 J
C) 1600 J
D) 1200 J
E) 2000 J
RESOLUCIÓN :
PREGUNTA 8 :
En la figura, las velocidades del agua en las secciones 1 y 2 del tubo horizontal son 2 m/s y 4 m/s, respectivamente. ¿Cuál es la presión que registra el manómetro B?
A) 1,34×104 N/m²
B) 1,34×103 N/m²
C) 1,34×102 N/m²
D) 1,34×106 N/m²
E) 1,34×105 N/m²
RESOLUCIÓN :
PREGUNTA 9 :
Un experimentador inventa una escala de temperatura E en la que se registra que el agua se congela a –80°E y hierve a 320°E. En esta nueva escala, ¿a cuántos grados °E, equivale una temperatura de 25 °C?
A) 0 °E
B) 10 °E
C) 20 °E
D) 25 °E
E) 5 °E
RESOLUCIÓN :
PREGUNTA 10 :
El gráfico, muestra la distancia x1 (es del objeto al foco) en función de la distancia x2 (es de la imagen al foco) en un espejo esférico cóncavo. Encontrar la distancia focal.
A) 2 cm
B) 4 cm
C) 6 cm
D) 10 cm
E) 8 cm
RESOLUCIÓN :
PREGUNTA 11 :
Con respecto al efecto fotoeléctrico, indique la secuencia de verdad (V) o falsedad (F) de las siguientes proposiciones:
I. La energía cinética máxima de los fotoelectrones emitidos depende de la intensidad de la luz incidente.
II. La función trabajo representa la energía mínima con la que un electrón está ligado en el metal.
III. Al producirse la emisión de fotoelectrones de la superficie metálica, esta ocurre de manera instantánea, incluso con intensidades de luz muy bajas.
A) FFV
B) FVV
C) VVV
D) VVF
E) VFV
RESOLUCIÓN :
TEMA : EFECTO FOTOELÉCTRICO
► Para radiación de igual frecuencia y diferente intensidad:
EC son iguales solo aumentan la cantidad de fotoelectrones.
(I) Falso
► Para la función trabajo j: "Energía mínima del fotón para solo arrancar el electrón del átomo".
(II) Verdadero
► Como ya se mencionó en el enunciado (I) el efecto fotoeléctrico solo dependerá de la frecuencia de la radiación más no de la intensidad luminosa, o sea un solo fotón puede arrancar y expulsar un electrón.
(III) Verdadero
∴ FVV
























